

The tool brand Festool have notified us that they are experiencing delays with orders that have been placed- this is a UK wide issue.
As a result, they are unable to provide us with any estimated delivery dates for orders.
You can reach out to us to check if we have items in stock before placing your order.
Please note we will be unable to provide any more updates at this moment in time.
This does not affect any other Power Tool Brand.


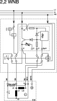
Do you need some spares for your Metabo motor assembly? You've come to the right place. From spacers to switches, we can get virtually any spare part that you may need.
Simply enter your model number into the search bar above or have a look through the diagrams below to find the parts that you might need.